Ihre Browserversion ist veraltet. Wir empfehlen, Ihren Browser auf die neueste Version zu aktualisieren.
>
Willkommen
>
Dodge B300
>
Restauration
>
Vario 613
>
DB508
>
DB508 / Clou
>
Poelen
>
OM314
>
Sprinter 412 Clou
>
Sprinter 416 Clou
>
Ford F250
>
Restauration
>
Ford Bronco´s
>
Identification data
>
Bronco Restauration
>
Bronco Anhänger
>
Bronco Nr. 3
>
Pontiac Bonneville Hearse
>
Identification data
>
Restauration
>
Pontiac Parisienne Con.
>
Cadillac DeVille
>
Identification data
>
Restauration
>
Bevorzugte Links
>
Collected
>
test gelände
>
Disclaimer
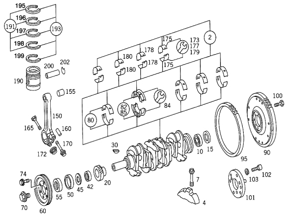
Hier kommen hilfreiche Sachen , wie Schaltpläne, Bilder, usw. rein....
Für den 508
Hinterrad Bremse
Motor
Motorkühlung